A WiFi clock made of falling tetris blocks. Runs on an ESP32 with an RGB LED Matrix (Currently the EPS8266 version is crashing!)
- RGB LED Matrix 64 x 32 P3 (The one I'm using)
- Amazon.co.uk*
- Amazon.com - Sold out and equivalent has bad reviews
- Aliexpress* - NOTE: I have heard off some people that this seller has changed to a type of board that is not working. 2Dom is on the case, but maybe buy elsewhere. I can't recomend anywhere else because this is where I bought mine from!
- TinyPICO
- ESP32 Mini* (The generic ESP32 board I'm working on will be based on this)
- 5v 8A laptop style PSU
- TinyPICO Matrix Shield
- D1 Mini Matrix Shield (Although not super useful for this project!)
* Affilate links
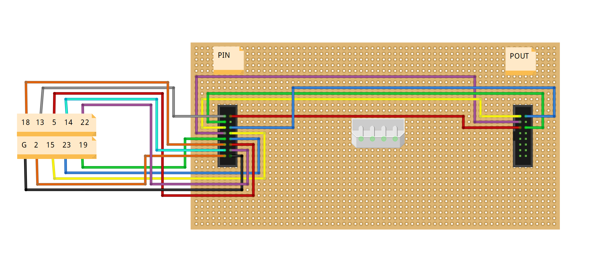
Wiring is desctribed on the PxMatrix library pretty well, but to try make it a little easier I have created wiring diagrams for the different types of boards.
Although not working with this sketch yet
To connect your power supply up to the panel, you can connect the display power wire directly to a DC jack screw terminal breakout or use some larger screw terminals and some perfboard



